... Alarmiert vom »ALPHA-FERRO« Test ...
... und dem Hinweis:
Schaltung "w61x" = Deutsche BundesPost (= WEST) !!!

ist "Prototyp" des »W611«, der "Grauen Maus"
!!!
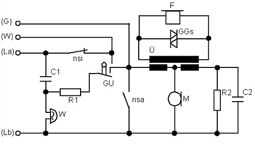
Schaltung aus WWW: W611 "mit PIN(G)" ...

Die "GRAUE MAUS" geöffnet ...


Linkes Kabel = Anschluß (= AS) / (HS =) HandSet = Rechtes Kabel
Nicht benutzter PIN unten/Mitte ist der PIN(G) im SchaltBild !!
+------------------------------------------------------------------+
| Vergl."FATAP"-SKIZZE in Italian MARBLE Telephone Restoration ... |
+------------------------------------------------------------------+
6=x 1=rot=La 2=gelb=Lb 3=braun=W 4=x 5=(G) <=== EINGANG
HANDAPPARAT ===> 1=weiß 2=blau ===> MIC
3=rot 4=braun ===> TEL
Z1=x Z2=x
+------------------------------------------------------------------+
Mit 5/6-poligem Stecker (! Raum vorgesehen !) wäre Kontakt gegeben
+------------------------------------------------------------------+
!!!
"W611-TEST" bringt gleiches Ergebnis wie "ALPHA-TEST"
»W611« konnte wie »ALPHA« zur Raum-Überwachung eingesetzt werden !!
Die offizielle Begründung: "Der G-Anschluss wurde eingeführt
zum Steuern des Gebührenzählers beim Teilnehmer."
;-)
Ein Blick in die Schaltung: Gebührenzählung macht nur Sinn,
wenn der Hörer abgenommen ist. Dann hat der Gabelumschalter den
Kontakt(G) mit Kontakt(W) verbunden ...
... Texte + Bilder in Manuals zeigen, daß die (G)-Ader die
Zähl-Impulse überträgt und der mechanische Zähler beim Teilnehmer
an Pin(W) anzuschließen ist ...
OK
?? War das die PERFEKTE "COVER-UP-STORY" / Tarnung ??
?? Hat die DDR die Idee umgesetzt in "STASI-BUG" ??
impressum:
********************************************************************
© C.HAMANN http://public.BHT-Berlin.de/hamann 03/03/23